anuluj
Pokazywanie wyników dla 
Zamiast tego wyszukaj 
Czy miało to oznaczać: 

Czy uklad scalony 74LS53 i 74LS54 to jest to samo?

cztery_bez_atu
#15 Entuzjasta

@Syrena_zT @N_Nitka28 @RaBarbar_ka @MiMary @w_kiwi @Sa_nova @la_nika @nat_not @_HolaOla_  

Jeżeli nie to kto poniesie odpowiedzialność jeżeli zostanie zostanie wysłany nie ten który miał być wysłany? Sami mieszacie w katalogu i łączycie na chybił trafił przypadkowe elementy i potem od sprzedającego wymagacie aby prostował Wasze błędy. No bo to przecież sprzedający jest odpowiedzialny za treść oferty w które namieszacie.

oznacz moderatorów
2 ODPOWIEDZI 2

KOGIEL_T
#21 Demiurg ⭐⭐⭐

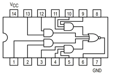
@cztery_bez_atu  coraz bardziej mnie zaskakujesz😉 , bo kilkadziesiąt lat istnieje na tym łez padole, ale jeszcze takiej kombinacji bramek nie widziałem

KOGIEL_T_0-1763238694635.png

 ale tak czy siak tablica prawdy jest inna dla tych scalaków😔

KOGIEL_T_1-1763238918640.png

 

 

oznacz moderatorów

cztery_bez_atu
#15 Entuzjasta

Zgadza się i stąd moje pytanie. Aukcja jest opublikowana a za jakiś czas ktoś zajarzy że to nie jest to i odłączy ją od produktu i znów będzie grożenie upomnieniem.

oznacz moderatorów